Артикул:
NBK-06
1 ¥ = 10.73 ₽
Выбор валюты
Заказать
Заказать
Шеф-монтаж - от 45 000 ₽
Гарантия - 12 месяцев
Рассчитать лизинг
94436d7b-3370-11ef-a229-000c29093604
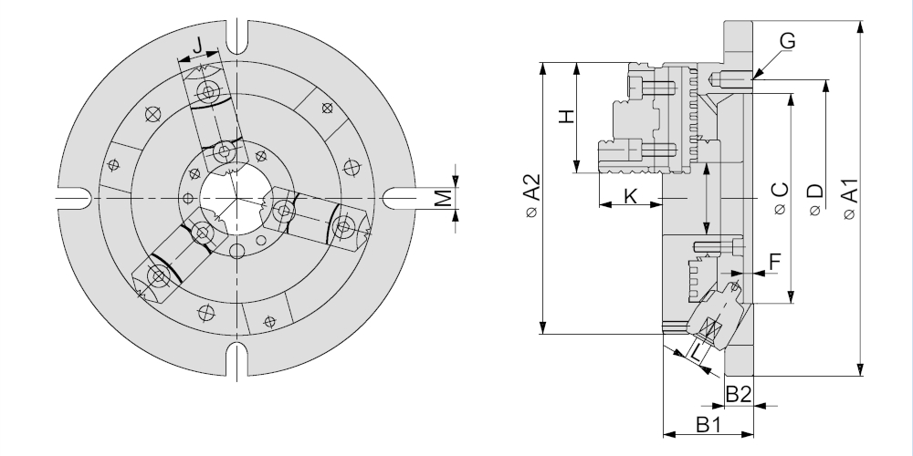
A1, мм
170
A2, мм
Трехкулачковые
Особенности тисков
18
B2, мм
3-M10×1.5P
G
Общие параметры
Наличие
В пути
Особенности тисков
Трехкулачковые
Наружный диаметр заготовки, мм
Ø8...Ø160
Внутренний диаметр заготовки, мм
Ø48...Ø150
Габаритная длина, мм
170
A1, мм
94436d7b-3370-11ef-a229-000c29093604
A2, мм
170
B1, мм
58
B2, мм
18
C, мм
130
D, мм
147
E, мм
45
F, мм
6
G
3-M10×1.5P
H, мм
68
J, мм
26
K, мм
40
L, мм
10
M, мм
13
Бренд
OLICNC
Самоцентрирующийся патрон NBK-06 производства CHANDOX предназначен для зажима заготовок круглой, цилиндрическиой формы или со сложным профилем. Патрон NBK-08 устанавливается на столы фрезерных станков или обрабатывающих центров с ЧПУ. Механизм зажима расположен под углом 30°. Фиксация заготовки осуществляется самоцентрирующимся трехкулачковым механизмом по наружному (Ø48...150 мм) или внутреннему (Ø8...160 мм) диаметру. NBK-06 имеет сквозное отверстие, что позволяет устанавливать заготовки большой длины.
Оплата заказа осуществляется безналичным способом по выставленному счету. При отгрузке заказа вам будут предоставлены все необходимые документы: счет на оплату, счет-фактура, товарная накладная.
Самовывоз товара осуществляется с нашего склада по адресу г. Екатеринбург, ул. Благодатская, 76 (территория завода ООО "Уралшина"). Режим работы склада: понедельник - пятница, с 9:00 до 18:00.
Для проезда на территорию потребуется пропуск, который вы можете заказать у наших менеджеров по телефону 8-800-101-14-36 или электронной почте stinhol@yandex.ru. Для оформления пропуска потребуется следующая информация:
- Ф.И.О. водителя
- Марка автомобиля
- Номер автомобиля
Для проезда на территорию по пропуску дополнительно необходимо при себе иметь паспорт, водительское удостоверение. Заказ отгружается получателю при наличии доверенности на получение товара и номера счета.
Схема проезда
Въезд на территорию через КПП с улицы Южный проезд
При доставке указанными ТК наши менеджеры полностью берут на себя организацию доставки (вызов транспортной, контроль отгрузки и отправка товара). Также возможна доставка любыми другими ТК и курьерскими службами, в этом случае клиент самостоятельно оставляет заявку в необходимой ему компании. Все необходимые для этого логистические данные (вес, объем) вам предоставят наши менеджеры.
| Регион |
Срок |
| Урал | 2-3 дня |
| Москва и Московская область | 3-4 дня |
| Краснодар, Ростов, Южный федеральный округ | 5-7 дней |
| Сибирь и Дальний восток | 8-10 дней |
Сроки доставки по регионам, непредставленным в таблице, а также странам СНГ вы можете уточнить у наших менеджеров по телефону 8-800-101-14-36 или электронной почте stinhol@yandex.ru.
Мы предлагаем
Запуск оборудования
Опытные инженеры профессионально выполнят монтаж и запуск станков любой сложности
Обучение операторов
Проводим полную подготовку специалистов заказчика: от обучения до изготовления детали на станке
Сервисное обслуживание и ремонт
Оперативно выполняем обслуживание и ремонт ваших станков, минимизируя время простоя
Поставка оснастки и инструмента
Дополнительно комплектуем наши станки надежными инструментом и оснасткой под ваши задачи
Разработка и внедрение
Предлагаем полный комплекс услуг по автоматизации / роботизации производства: от разработки до внедрения
Лизинг
Наша компания предоставляет оборудование в лизинг с минимальным авансовым платежом на срок до пяти лет
