Артикул:
BOT-72X45-20-D32-ZA
1 ¥ = 10.73 ₽
Выбор валюты
Заказать
Заказать
Шеф-монтаж - от 45 000 ₽
Гарантия - 12 месяцев
Рассчитать лизинг
Общие параметры
Наличие
В пути
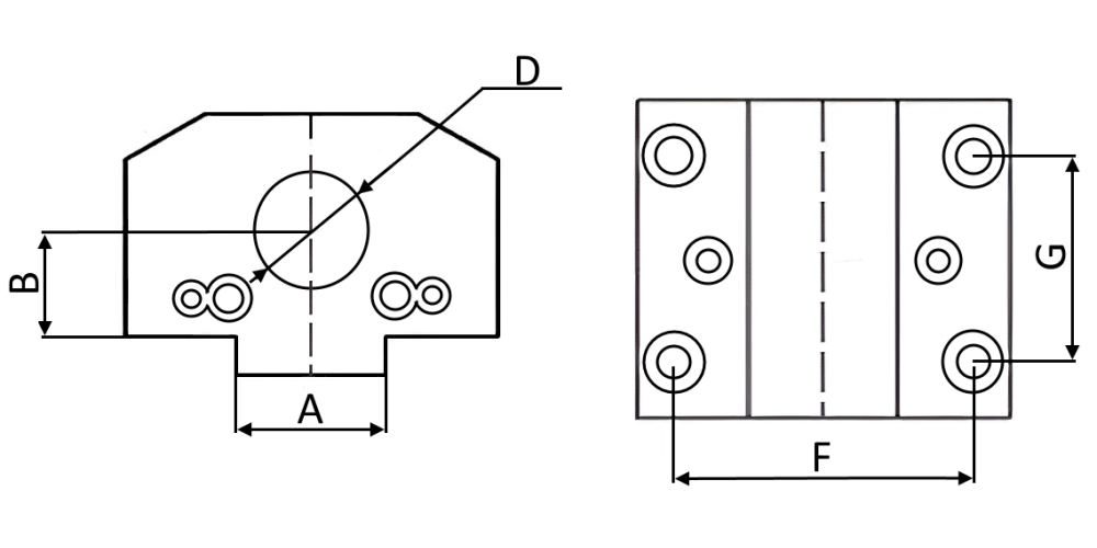
A, мм
20
B, мм
35
D, мм
32
F, мм
72
G, мм
45
Тип
Для осевого инструмента
Инструментальный блок BOT-72X45-20-D32 для болтового крепления "Bolt-on tool holder". Фиксация в револьверной головке станка осуществляется при помощи 4 болтов. Благодаря этому он обеспечивает надежное и точное крепление инструмента, что позволяет достичь высокого качества обработки деталей.
Особенности инструментального блока BOT-72X45-20-D32:
• Сечение резца D32 мм
• Межосевое расстояние крепёжных отверстий 72 x 45 мм
• Монолитный корпус блока устойчивый к вибраци
Особенности инструментального блока BOT-72X45-20-D32:
• Сечение резца D32 мм
• Межосевое расстояние крепёжных отверстий 72 x 45 мм
• Монолитный корпус блока устойчивый к вибраци
Оплата заказа осуществляется безналичным способом по выставленному счету. При отгрузке заказа вам будут предоставлены все необходимые документы: счет на оплату, счет-фактура, товарная накладная.
Самовывоз товара осуществляется с нашего склада по адресу г. Екатеринбург, ул. Благодатская, 76 (территория завода ООО "Уралшина"). Режим работы склада: понедельник - пятница, с 9:00 до 18:00.
Для проезда на территорию потребуется пропуск, который вы можете заказать у наших менеджеров по телефону 8-800-101-14-36 или электронной почте stinhol@yandex.ru. Для оформления пропуска потребуется следующая информация:
- Ф.И.О. водителя
- Марка автомобиля
- Номер автомобиля
Для проезда на территорию по пропуску дополнительно необходимо при себе иметь паспорт, водительское удостоверение. Заказ отгружается получателю при наличии доверенности на получение товара и номера счета.
Схема проезда
Въезд на территорию через КПП с улицы Южный проезд
При доставке указанными ТК наши менеджеры полностью берут на себя организацию доставки (вызов транспортной, контроль отгрузки и отправка товара). Также возможна доставка любыми другими ТК и курьерскими службами, в этом случае клиент самостоятельно оставляет заявку в необходимой ему компании. Все необходимые для этого логистические данные (вес, объем) вам предоставят наши менеджеры.
| Регион |
Срок |
| Урал | 2-3 дня |
| Москва и Московская область | 3-4 дня |
| Краснодар, Ростов, Южный федеральный округ | 5-7 дней |
| Сибирь и Дальний восток | 8-10 дней |
Сроки доставки по регионам, непредставленным в таблице, а также странам СНГ вы можете уточнить у наших менеджеров по телефону 8-800-101-14-36 или электронной почте stinhol@yandex.ru.
Мы предлагаем
Запуск оборудования
Опытные инженеры профессионально выполнят монтаж и запуск станков любой сложности
Обучение операторов
Проводим полную подготовку специалистов заказчика: от обучения до изготовления детали на станке
Сервисное обслуживание и ремонт
Оперативно выполняем обслуживание и ремонт ваших станков, минимизируя время простоя
Поставка оснастки и инструмента
Дополнительно комплектуем наши станки надежными инструментом и оснасткой под ваши задачи
Разработка и внедрение
Предлагаем полный комплекс услуг по автоматизации / роботизации производства: от разработки до внедрения
Лизинг
Наша компания предоставляет оборудование в лизинг с минимальным авансовым платежом на срок до пяти лет
