Артикул:
K11-80
6 434 ₽/шт
В наличии
1 ¥ = 10.96 ₽
Выбор валюты
В корзину
Заказать
Шеф-монтаж - от 45 000 ₽
Гарантия - 12 месяцев
Рассчитать лизинг
4000
Макс. скорость вращения, об/мин
55
D1, мм
16
D3, мм
-
H2, мм
На складе
Наличие
Общие параметры
Наличие
На складе
Серия
K11
Диаметр патрона
80 мм / 3"
Количество кулачков, шт
3
Тип крепления
Переходной фланец
Крепежные отверстия (кол-во x размер)
3 x M6
Макс. скорость вращения, об/мин
4000
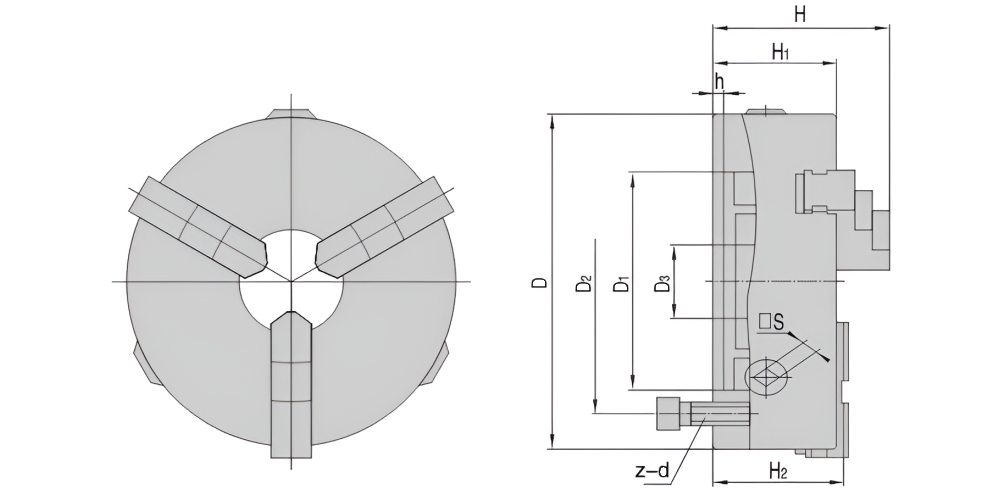
D, мм
80
D1, мм
55
D2, мм
66
D3, мм
16
H, мм
66
h, мм
3.5
H1, мм
50
H2, мм
-
S, мм
8
Тип
Патрон самоцентрирующийся
Шпиндель
Макс. крутящий момент, Нм
40
Токарный патрон K11-80 диаметром 80 мм / 3" используется для фиксакции заготовки на шпинделе станка. Максимальная скорость вращения патрона 4000 об/мин. Самоцентрирующийся спирально-реечный механизм с тремя цельными кулачками обеспечивает быструю и надежную фиксацию деталей цилиндрической или шестригранной формы. Тип посадки патрона - цилиндрический через переходной фланец (ГОСТ 24351, DIN 6350). Корпус патрона изготовлен из серого чугуна (HT300), кулачки - из легированной стали (20CrMnTi). Является аналогом 7100-0001 / 7100-0001П
Оплата заказа осуществляется безналичным способом по выставленному счету. При отгрузке заказа вам будут предоставлены все необходимые документы: счет на оплату, счет-фактура, товарная накладная.
Самовывоз товара осуществляется с нашего склада по адресу г. Екатеринбург, ул. Благодатская, 76 (территория завода ООО "Уралшина"). Режим работы склада: понедельник - пятница, с 9:00 до 18:00.
Для проезда на территорию потребуется пропуск, который вы можете заказать у наших менеджеров по телефону 8-800-101-14-36 или электронной почте info@stinhol.ru. Для оформления пропуска потребуется следующая информация:
- Ф.И.О. водителя
- Марка автомобиля
- Номер автомобиля
Для проезда на территорию по пропуску дополнительно необходимо при себе иметь паспорт, водительское удостоверение. Заказ отгружается получателю при наличии доверенности на получение товара и номера счета.
Схема проезда
Въезд на территорию через КПП с улицы Южный проезд
При доставке указанными ТК наши менеджеры полностью берут на себя организацию доставки (вызов транспортной, контроль отгрузки и отправка товара). Также возможна доставка любыми другими ТК и курьерскими службами, в этом случае клиент самостоятельно оставляет заявку в необходимой ему компании. Все необходимые для этого логистические данные (вес, объем) вам предоставят наши менеджеры.
| Регион |
Срок |
| Урал | 2-3 дня |
| Москва и Московская область | 3-4 дня |
| Краснодар, Ростов, Южный федеральный округ | 5-7 дней |
| Сибирь и Дальний восток | 8-10 дней |
Сроки доставки по регионам, непредставленным в таблице, а также странам СНГ вы можете уточнить у наших менеджеров по телефону 8-800-101-14-36 или электронной почте stinhol@yandex.ru.
Мы предлагаем
Запуск оборудования
Опытные инженеры профессионально выполнят монтаж и запуск станков любой сложности
Обучение операторов
Проводим полную подготовку специалистов заказчика: от обучения до изготовления детали на станке
Сервисное обслуживание и ремонт
Оперативно выполняем обслуживание и ремонт ваших станков, минимизируя время простоя
Поставка оснастки и инструмента
Дополнительно комплектуем наши станки надежными инструментом и оснасткой под ваши задачи
Разработка и внедрение
Предлагаем полный комплекс услуг по автоматизации / роботизации производства: от разработки до внедрения
Лизинг
Наша компания предоставляет оборудование в лизинг с минимальным авансовым платежом на срок до пяти лет
